İçereği Atla

Çok Konumlu Sıfır Noktası Taban Plakası Özellikleri

cnc-taban-plakalari

SC52-S230 özellikleri

Tekrarlama Hassasiyeti: 0,005 mm
Sıkma kuvveti: 18KN
Malzeme: Çelik
Ağırlık/Kg: 4 KG
Aralık: 4*M10@82*208 özelleştirilebilir.

cnc-taban-plakaları

SC96-S379 özellikleri

Tekrarlama Hassasiyeti: 0,005 mm
Sıkma kuvveti: 22KN
Malzeme: Çelik
Ağırlık/Kg: 12 KG
Aralık: 4*M10@132.5 *320 özelleştirilebilir.
cnc-çok-konumlu-taban-plakaları

SC96-S410 özellikleri

Tekrarlama Hassasiyeti: 0,005 mm
Sıkma kuvveti: 22KN
Malzeme: Çelik
Ağırlık/Kg: 14 KG
Aralık: 4* M10@200*300

Pnömatik Sıfır Noktası Taban Plakaları

 Bazı otomasyon projelerinde robotlarla en çok kullanılan sistem, pnömatik taban plakalarıdır.
 Plaka kilitini açmak için hava, kapatmak için yay gücü kullanılır.
 Güçlü sıkıştırma kuvveti, ağır kesme işlemleri için uygundur.
Taban plakalarında 52 mm ve 96 mm aralıklarla Pull-stud delikleri mevcuttur..

cnc-taban-plakasi

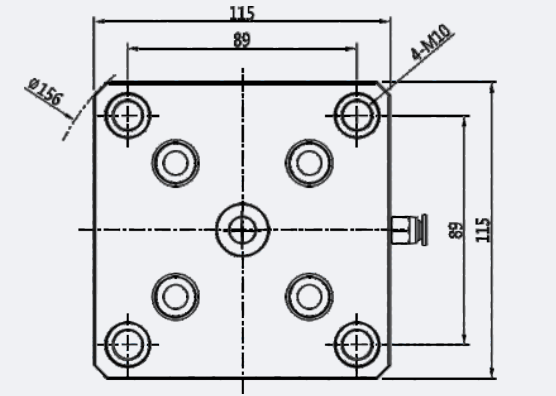
SC52-S165A özellikleri

Boyutları: 115*115*46
Tekrarlama Hassasiyeti: 0,005
Sıkma kuvveti: 18KN
Malzeme: Çelik
Ağırlık/Kg: 4 KG
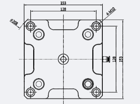
cnc-taban-plakası

SC96-S210A özellikleri

Boyut: 153*153*50
Tekrarlama Hassasiyeti: 0,005
Sıkma kuvveti: 22KN
Malzeme: Çelik
Ağırlık/Kg: 7KG