Manuel Puntalar
CNC Makina Torna Puntası Açıklamaları
CNC Torna puntası, torna tezgahlarında ve diğer işleme ekipmanlarında bulunan ve özellikle uzun veya silindirik parçalarda, işleme sırasında iş parçasına destek sağlamak için torna aynasının karşısına yerleştirilen önemli bir bileşendir. Torna puntası, iş parçasının boşta kalan ucunun sabitlenmesine yardımcı olarak tornalama, delme ve diş açma işlemleri sırasında merkezde ve güvenli kalmasını sağlar. 4. eksen divizörlerin karşı tarafındaki Puntalar genellikle bir beşik plakası ve karşı yatak (karşı ayna) ile birlikte kullanılabilir. Daha fazla stabilite için pnömatik veya hidrolik frenle donatılabilir. Puntaların merkez yüksekliği döner tabla ile uyumlu olacak şekilde tasarlanmıştır ve 135, 150, 160 ve 210 olmak üzere dört farklı spesifikasyon mevcuttur.
Manuel Puntalarımızın Özellikleri:

SILVER CNC Manuel Punta Montaj Şeması
Bu Karşı Yatak (Karşı Ayna) şeması, çeşitli karşı yatak tertibatlarının ayrıntılı bir görsel temsilini sunar. Genellikle, düzgün çalışma için hayati önem taşıyan taban, burç, spindle ve pinol gibi bileşenleri içerir.
SC-RS170

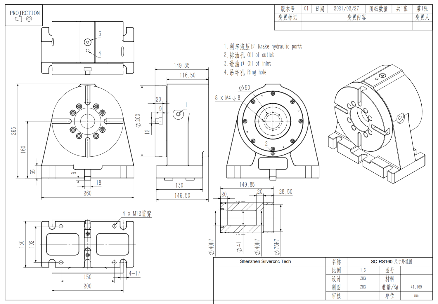
SC-RS180

SC-RS200(250)

SC-RS255(320)

Punta Kullanmanın Önemi
Puntalar İşleme operasyonlarında birkaç önemli nedenden dolayı kullanılır;
İş Parçasına Destek : Punta başlığının temel işlevi, tornalama veya diğer işleme süreçleri sırasında iş parçasına destek sağlamaktır. Özellikle uzun veya ince parçalarda, iş parçasının salgılı dönmesini veya sapmasını önlemeye yardımcı olur.
Merkezleme ve Hizalama : Punta genellikle bir hareketli merkez veya bir ölü merkez bulundurur; bu, iş parçasının hizalanmasını ve dengesini korumaya yardımcı olur. Bu, iş parçasının dönerken merkezde kalmasını sağlar ve bu da hassas parçalar üretmek için çok önemlidir.
Delme, Raybalama ve Diş Açma İşlemlerini Kolaylaştırır : Punta başlığı, matkap, rayba veya diş açma gibi takımları desteklemek için kullanılabilir. Delme veya diş açma gibi işlemler sırasında, punta başlığı takımın iş parçasıyla doğru hizalanmasını sağlayarak hassasiyeti artırır ve takımlardaki aşınmayı azaltır.
Arttırılmış Hassasiyet : Punta iş parçasına ek destek sağlayarak daha hassas işleme imkanı sunar. İş parçasında hatalara yol açabilecek titreşim, sapma veya hizalama hatası olasılığını azaltır.
Döner Tabla (Divizör) ile Puntalarının CNC Makinalarda Uygulamaları
Manuel punta genellikle L bloğu, bağlantı plakası, collet ve ayna , hidrolik istasyon ve diğer aksesuarlarla birlikte kullanılır.
Lütfen dört eksenli divizörlerin (döner tablaların) merkez yüksekliğine uygun olması gerektiğini unutmayın.





İLGİLİ ÜRÜNLER
Divizör Tek Eksenli Kontrolörü
4. eksen fonksiyonu olmayan CNC Makinalarda çok açılı çalışmak için bağımsız divizör kontrolörü
Sıkça Sorulan Sorular (SSS)
Divizör Punta ve Karşı Aynaları (Karşı Yatakları) hakkında sık sorulan bazı sorular.





