CNC Divizör Aksesuarları
Anasayfa / Tüm Ürünler / CNC Divizörler / CNC Divizör Aksesuarları
Divizör aksesuarları: Ayna, Fren sistemi, L bloğu, Köprü plakası, Encoder, Rotary joint
Farklı işleme ihtiyaçlarını karşılamak için SilverCNC'den çeşitli döner tabla aksesuarları seçilebilir.
Manuel ayna: Bazı yuvarlak çubuk parçaları işlemek için kullanılır.
Hidropinömatik Piston: Divizör fren sistemi için yağ ve havayı kullanarak güçlü bir frenleme sistemi sağlar.
Hidrolik Tank: Hidrolik pompa ile yağ basıncı sağlayarak çok güçlü bir frenleme sistemi sağlar.
L bloğu ve köprü plakası: Rijitliği artırmak için karşı yatak (karşı ayna) birlikte kullanılır.
Encoder: Pozisyonlama hassasiyeti ve tekrarlama hassasiyetini artırır.
Rotary Joint: CNC döner tabla üzerindeki bir fikstüre dışarıdan pnömatik veya hidrolik hortumları bağlayabilmek için kullanılır.
Teklif İsteyin
CNC Divizör (Döner Tabla) Aksesuarları

3 Ayaklı Ayna ve Flanşı

Hidropnömatik piston

Hidrolik tank ünitesi

L Blok Diski

Encoder

Rotary Joint
CNC Divizör Manuel Aynalar
Yuvarlak çubuk tipi ürünlerin işlenmesinde iş parçalarının ayna ile sıkılması gerekmektedir.
Üç çeşit ayna seçeneği mevcuttur: Manuel ayna, Pnömatik ayna ve Hidrolik ayna.
Divizör ayna modelleri için lütfen aşağıdaki tabloyu inceleyiniz.

CNC Divizörler İçin Fren Takviye Sistemleri
Hava-yağ (Hidropinömatik) Takviye Pistonu: AOB-6 (Opsiyonel);
Hidrolik frenli döner tabla ve hidrolik karşı ayna (karşı yatak) için kullanılabilir.
Hızlıdır, enerji tasarrufu sağlar ve az yer kaplar.
Standart 2,5 m yağ borusu mevcuttur.
5 eksen döner tabla için 2 adet AOB-6 kullanabilirsiniz.
Hidrolik güç ünitesi: HSU-1/2 (Opsiyonel)
Hidrolik frenli döner tabla ve hidrolik karşı ayna (karşı yatak) için kullanılabilir.
Hidrolik istasyon stabildir ve düşük sıcaklık artışı vardır.
5m yağ borusu Standart olarak verilir.
Karmaşık fikstürler söz konusu ise daha fazla sayıda hidrolik ünite kullanılabilir.
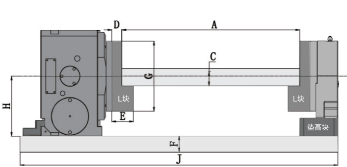
CNC Divizörler için L blok ve Köprü plakası

NOT:
1. H/I/J, torna aynasının büyüklüğüne ve çalışma alanı sınırına göre belirlenir.
2. Yukarıdaki öneri standart bağlantı plakası uygulaması içindir, daha doğru boyut için lütfen kendi özel gereksinimlerinizi dikkate alın.





